Chain Guard
Designed and manufactured an FSAE rules legal scatter guard for the driveline subsystem

What?
Addressed FSAE strict regulations requiring a scatter guard to fully isolate moving mechanical components
As a team, we run a chain-drive system consisting of a small driving sprocket (11T) connected to a large driven sprocket (e.g. 40T, 44T, 47T


How?
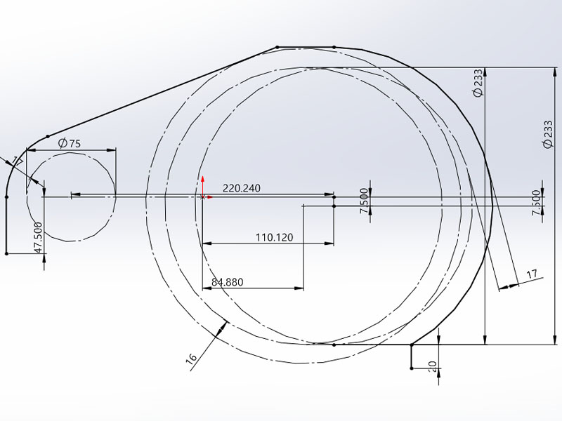
Incorporated sprocket design parameters to account for maximum sprocket sizes and varying chain-tensioning shim distances
Engineered a mass-optimized profile with structural rigidity while maintaining rules legality
Optimized for DFMA by integrating hardware installation clearances along with accounting for sheet metal bend and roll allowance
Drafted detailed bend drawings to ensure manufacturer meets the tolerances and fit for the vehicle



Results
Produced rigid, but lightweight chain guard passing technical inspection at FSAE events
Maintained within 10 grams of last year’s guard, despite being a larger component
Easy to remove and install with only 3 bolts, integrating alongside the jacking bar and motor mounts


Interchangeable Sprockets and Adapter
Designed a topologically optimized sprocket adapter and set of sprockets for UWFE's driveline subsystem

Motor Guard
Designed and manufactured an FSAE rules legal scatter guard to enclose the EMRAX 228

Trace It
Trace It is a hands on target practice toy, utilizing two motors and an infrared gun

Capturally
An EV3 robot that can capture videos and images using tracking and keyframes

Curtiss-Wright Co-op Projects and Designs
Mechanical designs and rapid prototyping at Curtiss-Wright

Final Drive Ratio Analysis
Performed analysis on UWFE 2026 vehicle to determine appropriate gear ratios

Differential Assembly and Spacers
Ensuring critical rotation and mounting of the custom limited slip differential

Harness Mounts and Jigs
I created four pairs of chassis harness mounts to ensure the driver has a legal harness for Formula SAE Electric events.

Chassis Front Enclosure Mount
Created a laser cut jig in order to accurately position the front enclosure mount within 2 millimeters laterally and longitudinally

Half Shaft Plungers
R&D Propulsion task for UWFE Driveline subteam

LED Dice
Fully custom made LED Dice PCB

TT Motor Dynamometer
I constructed a dynamometer out of TETRIX to measure the speed and torque characteristics of a TT motor